КОТТЕДЖИ
ДЛЯ ПОКУПАТЕЛЕЙ
- Специальные программы
- Полезная информация
- Поиск по сайту
ПРОЕКТЫ КОТТЕДЖЕЙ
- Дом который построили Вы!
- Удача
- Комсомол
- Орешник
- ТандеМ
- Гостевые дома
- Архив проектов

- Специальные программы
- Полезная информация
- Поиск по сайту
- Дом который построили Вы!
- Удача
- Комсомол
- Орешник
- ТандеМ
- Гостевые дома
- Архив проектов

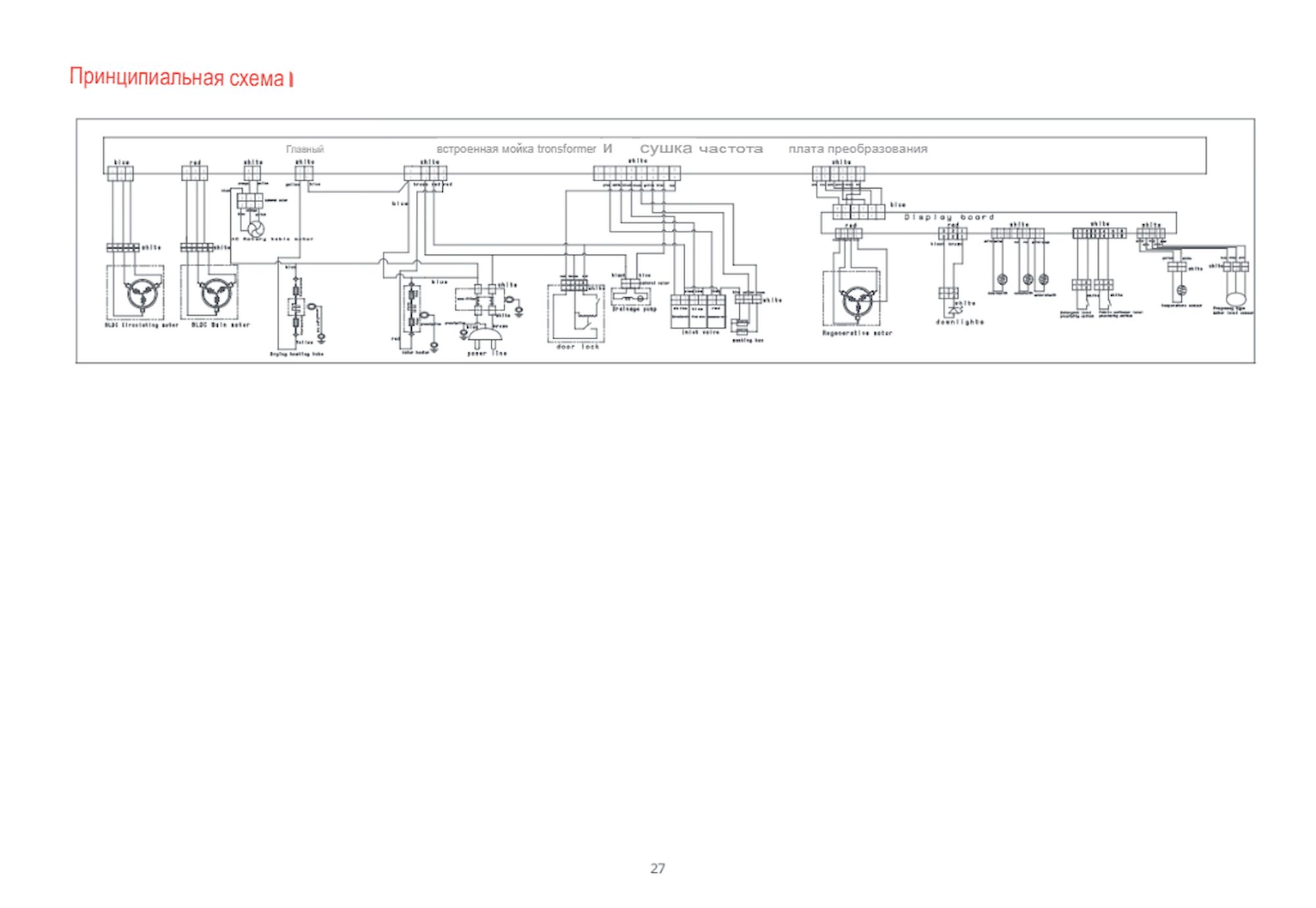
ЭТО СТИРАЛЬНО-СУШИЛЬНАЯ МАШИНА ROBOROCK ZEO ONE:

ВНИМАНИЕ! Внизу справа находится люк, внутри находится фильтр, который необходимо периодически промывать и очищать от грязи. Если этого не делать, то со временем он засорится и перестанет пропускать воду, что приведёт к выходу из строя откачивающего насоса. Периодичность чистки зависит от количества стираемых вещей и их качества.
• Мы производили тестирование большого количества стиральных и сушильных машин, рекомендуем посмотреть видео внизу данной страницы.
• После нашего видео, компания Roborock представила свои стиральные машины и на март 2026 года машина "Roborock Zeo One" является самой передовой стирально-сушильной машиной. Выражая своё мнение: по сути, Roborock скопировали нижнюю часть идеальной стирально-сушильной машины (обзор которой вы можете посмотреть внизу данной страницы), добавили к ней свой дисплей, добавили сушку Zeo-cycle, и систему самоочистки LintClear, получив тем самым еще более лучшую стирально-сушильную машину. Это впечатляет!
Сравнивая стиральные машины, вот какие преимущества имеет Roborock:
1. Любая сушильная машина, за счёт высокой температуры сушки сажает вещи. В данном случае применена новая система сушки Zeo-cycle в основе которой лежит вещество "цеолит", которое при определённой температуре впитывает большое количество влаги и при другой температуре отдаёт её. В результате получена сушка которой не требуется высокая температура и как следствие вещи не садятся, по отзывам пользователей - не садится даже шерсть (но это еще надо проверить). Мы провели тесты: постирали джинсы, которые всегда садятся после стирки и сушки - я бы НЕ сказал, что джинсы совсем не сели, нет они сели, но ощутимо меньше, процентов на 50, чем в обычной машине. Считаю данный результат весьма впечатляющим.
2. Сделана система LintClear, которая улавливает пыль, волосы, ворс и смывает их в канализацию. В видео (ниже на странице) я говорил, что в стиральной машине "Бирюса" имеется дефект связанный с тем, что пыль и волосы забивали фильтр расположенный справа внизу и его необходимо было периодически чистить, если этого не делать, то со временем фильтр забьётся полностью и это приведёт к выходу из строя насоса (в последних версиях Бирюсы, эта проблема была устранена, но чистка фильтра все равно должна производиться. В данной машине это устранено за счёт промежуточного фильтра, который собирает пыль, волосы, ворс и потом смывает их в канализацию. Мы все равно оставляем запись, что необходимо чистить фильтр, поскольку не имеем опыта длительной эксплуатации данной машины. Время покажет.
3. Если после сушки белья Вы не успели вовремя вытащить вещи, они слёживаются и становятся мятыми, а вот если успели, то их сразу можно надевать или вешать, без глажки, они уже "глаженные". Что бы этого избежать в стиральных машинах сделан специальный режим, когда машина добавляет немного воды и "восстанавливает" смятые вещи, но на занимает время (30-50 минут), что тоже не очень то и удобно. В Roborock пошли дальше и за счет циркуляции воздуха сохраняют вещи "глажеными" в течение 24 часов. Теперь не надо бежать к машинке, как только она завершила сушку, "глаженные" вещи можно забрать в течение 24 часов.
4. Добавлена возможность управлять машинкой со смартфона. Надо это? Согласитесь приятно загрузить вещи в машинку, включить на ней соответствующий режим, отбежать от неё минимум на полтора километра, найти приложение на смартфоне, включить его, найти там стиральную машину, задать режимы стирки и нажать кнопку "старт" -)) Тесты показали, что данная функция очень полезна и ее надо обязательно включать, причина здесь в том, что машинка имеем просто огромное количество программ, которые элементарно не вмещаются на ее экран и для их активации используется приложение на смартфоне. Для меня осталось не понятным, почему масса действительно полезных программ не выведена на экран, при этом на экране есть масса бесполезных опций, но в любом случае это решается через смартфон. Также для активации очень полезного режима при котором стиральная машина поддерживает вещи в не смятом состоянии в течение 24 часов, ее необходимо подключить к смартфону, то есть активация данной функции только через смартфон.
5. Увеличена глубина барабана, при том, что максимальный вес белья не изменился. До этого, некоторые пуховые одеяла было крайне сложно затолкать в машинку и приходилось их трамбовать ногами -))), для этой стиральной машины ноги уже не требуются, но я бы еще увеличил размер барабана.
Для тех кто в теме: ждем стирально-сушильную машину от Dreame.
Видео о стиральных и сушильных машинах: